| Реализованный стандарт | ГБ/Т 17702、МЭК61071 |
| Климатическая категория | 40/85/21 |
| Номинальное напряжение | 1200 В постоянного тока~8000 В постоянного тока |
| Диапазон емкости | 0,068 мкФ ~ 3 мкФ |
| Допуск емкости | ±5% (Дж), ±10% (К) |
| Проверка напряжения между клеммами | 1,5 ЕВ н /10С |
| Сопротивление изоляции | ≥5000 с (100 В, 1 мин, 20 ℃) |
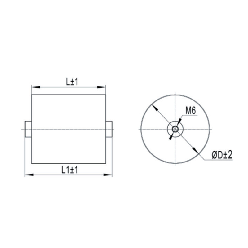
| Китай (мкФ) | Размер (мм) | английский как английский язык (нГн) | ДВ/ДТ (В/мкс) | (А) | я Макс @40℃ 10 кГц (А) | ||
| ΦD | л | Л1 | |||||
| Un=3000 В постоянного тока | |||||||
| 0.22 | 35 | 44 | 52 | 25 | 1100 | 242 | 30 |
| 0.33 | 43 | 44 | 52 | 25 | 1000 | 330 | 35 |
| 0.47 | 51 | 44 | 52 | 22 | 850 | 399 | 45 |
| 0.68 | 61 | 44 | 52 | 22 | 800 | 544 | 55 |
| 1 | 74 | 44 | 52 | 20 | 700 | 700 | 65 |
| 1.2 | 80 | 44 | 52 | 20 | 650 | 780 | 75 |
| Un=6000 В постоянного тока | |||||||
| 0.22 | 43 | 60 | 72 | 25 | 1500 | 330 | 35 |
| 0.33 | 52 | 60 | 72 | 25 | 1200 | 396 | 45 |
| 0.47 | 62 | 60 | 72 | 25 | 1000 | 470 | 50 |
| 0.68 | 74 | 60 | 72 | 22 | 900 | 612 | 60 |
| 1 | 90 | 60 | 72 | 22 | 800 | 900 | 75 |
| Un=7000 В постоянного тока | |||||||
| 0.22 | 45 | 57 | 72 | 25 | 1100 | 242 | 30 |
| 0.68 | 36 | 80 | 92 | 28 | 1000 | 680 | 25 |
| 1 | 43 | 80 | 92 | 28 | 850 | 850 | 30 |
| 1.5 | 52 | 80 | 92 | 25 | 800 | 1200 | 35 |
| 1.8 | 57 | 80 | 92 | 25 | 700 | 1260 | 40 |
| 2 | 60 | 80 | 92 | 23 | 650 | 1300 | 45 |
| 3 | 73 | 80 | 92 | 22 | 500 | 1500 | 50 |
| Un=8000 В пост. тока | |||||||
| 0.33 | 35 | 90 | 102 | 30 | 1100 | 363 | 25 |
| 0.47 | 41 | 90 | 102 | 28 | 1000 | 470 | 30 |
| 0.68 | 49 | 90 | 102 | 28 | 850 | 578 | 35 |
| 1 | 60 | 90 | 102 | 25 | 800 | 800 | 40 |
| 1.5 | 72 | 90 | 102 | 25 | 700 | 1050 | 45 |
| 2 | 83 | 90 | 102 | 25 | 650 | 1300 | 50 |
Мы ответим вам в течение 12 часов рабочего дня.
У нас есть собственная фабрика, а также собственный отдел международных продаж. Производим и продаем все сами.
Мы ориентируемся на пленочные конденсаторы.
Наша продукция используется в широком спектре применений, включая бытовую технику, источники питания, счетчики электроэнергии, освещение, сварочные аппараты, железнодорожный транспорт, электромобили, электросети, ИБП/ЭЭС, медицинское оборудование, фотоэлектрические инверторы, преобразователи энергии ветра и т. д. подробнее.
Да, мы являемся экспертами в изготовлении продукции по индивидуальному заказу по чертежам или образцам клиентов.
Walson Компания Electronics была основана в 2001, 1999 году и имеет более чем 20-летний опыт в R&D, производстве, продаже и обслуживании пленочных конденсаторов.. Обычай Демпфирующий/резонансный конденсатор серии WST (осевого типа) Производители и Демпфирующий/резонансный конденсатор серии WST (осевого типа) фабрики
Мы всегда придерживаемся принципов сотрудничества в области передовой автоматизации и индустриализации. . Компания продолжает внедрять выдающееся отечественное и зарубежное производственное оборудование, , в то время как благодаря самостоятельно разработанному программному обеспечению для управления производством, совместному управлению предприятием и научной и эффективной работе, был достигнут прорыв в производстве на 1 миллиард единиц в год., и продолжает неуклонно расти.
Walson Продукция электронной промышленности охватывает все больше отраслей, , включая новую энергетику, фотоэлектрические инверторы, Светодиодное освещение, бытовую технику и различные источники питания, а также другие отрасли промышленности.
Придерживаясь концепции инновационных технологий, , честного обслуживания и профессионального качества, Walson Компания Electronics постоянно продвигает вперед конденсаторную продукцию и, несомненно, станет пионером в отрасли, обладая инновационными преимуществами.
Функции: Лучшие электрические свойства, высока... Просмотреть больше
Функции: Лучшие электрические свойства, высока... Просмотреть больше
Функции: Лучшие электрические свойства, высока... Просмотреть больше
Функции: Двусторонняя металлизированная констр... Просмотреть больше
Функции: Электрод двусторонний металлизированн... Просмотреть больше
Функции: Металлизированная полиэфирная пленка,... Просмотреть больше
Функции: Пленка/фольга, неиндуктивного типа, о... Просмотреть больше
Функции: Оболочка цилиндра из эпоксидной трубк... Просмотреть больше
Введение: Общие сведения о пленочных конденсаторах DC-Link в солнечных инвертора...
подробнееПленочный конденсатор Они широко используются в приложениях с высокой мощн...
подробнееВведение В постоянно развивающемся мире электронных компонентов конденса...
подробнееВведение Системы преобразования энергии, особенно в таких приложениях, к...
подробнееНа фоне глобальной волны энергетического перехода фотоэлектрическая промышленность пред...
подробнее
Авторские права и копирование; Уси Уолсон Электроникс Лтд.  Обычай Демпфирующий/резонансный конденсатор серии WST (осевого типа) Производители

